Страховочные системы на поворотных консолях
Решение:
Организация страховочной системы с использованием поворотных консолей AIP CR 3500, жесткой анкерной линии Alpsafe X-line и СИЗ втягивающего типа Vento РЫСЬ.
Поворотные консоли AIP CR 3500 для работ на высоте — это вспомогательная система, обеспечивающая возможность установки различных СИЗ от падения с высоты. Благодаря поворотным шарнирам консоль имеет возможность поворачиваться, что очень удобно, когда над страховочной системой работает другое оборудование, например кран. В "парковочном" положении поворотная консоль прижата к стене и не мешает выполнению других работ. Консоли предназначены для организации точки анкерного крепления при работе на открытых площадках при обслуживании автомобильного и ж/д транспорта, в производственных помещениях и т.д.

Поворотная консоль AIP CR 3500. Страховочная система
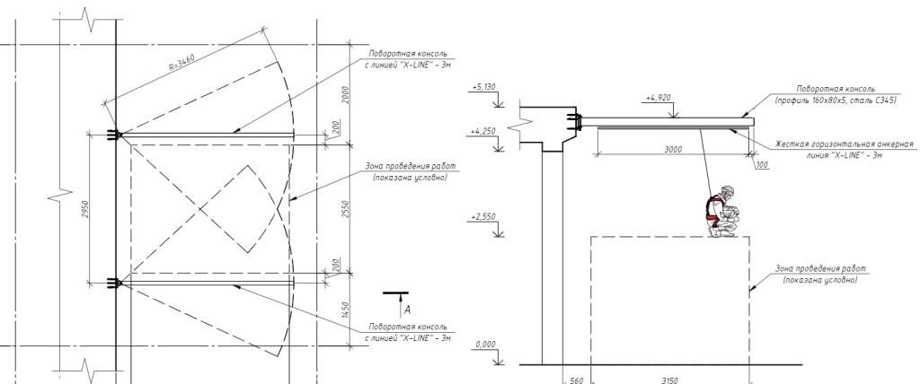
Консоль поворотная AIP CR 3500
- Размеры, мм (ДхШхВ): 3500х160х80.
- Радиус поворота, мм: 3460.
- Угол поворота, max град.: 180.
- Стандартный материал исполнения: конструкционная низколегированная сталь 09Г2С с порошковым окрасом.
*Под заказ доступно исполнение из нержавеющей стали для применения в агрессивной среде — А2 (AISI 304, 08Х18Н10, А4 (AISI 316, 10X17H13M2), а также из конструкционных сталей с порошковым окрасом в требуемый RAL. - Максимальное количество пользователей: 1 (один).
Консоль поворотная с кронштейном крепления к ж/б или металлической несущей конструкции в сборе, применяется для базирования жесткой анкерной линии типа D (X-LINE, MOST 2 RHL30, AVRORA RHL40) — ГОСТ EN/TS 16415-2015, ГОСТ EN 795-2019 или анкерных устройств / анкерных точек по ГОСТ EN 795-2019 (тип А), например, vpro A001 «УХО», vpro A002 «Дюраль», AP03, AP04, AP006, с целью создания стационарной страховочной системы с фактором падения 0 (ноль, «над головой») над стационарным (постоянным) местом проведения работ на высоте. В комплекте с консолью идут защитные демпферы-отбойники. В качестве соединительно-амортизирующей подсистемы применяется средство защиты втягивающего типа (СЗВТ) по ГОСТ Р ЕН 360-2008 (vnt 1151, vnt 1152 «Рысь», НВ-10, НВ-06, «Барс» и т.д.).

Парковочное положение поворотной консоли AIP CR 3500
В данном случае на поворотную консоль была установлена жесткая анкерная линия Alpsafe X-LINE, а на ней установлено блокирующее устройство втягивающего типа. Такая конструкция позволяет работнику безопасно работать не только в одной точке, но и свободно перемещаться вдоль консоли, выполняя необходимую работу. Благодаря этому снижается фактор маятника при падении.
В случае, когда СИЗ втягивающего типа жестко закреплено, например, на анкерной точке, работнику запрещено отклонять трос СЗВТ более чем на 30-40 градусов. Так как в таком случае СЗВТ может работать некорректно, а при остановке падения работник дополнительно травмируется при полете маятником. При установке жесткой анкерной линии эта проблема решается, так как блокирующее устройство следует за работником по каретке анкерной линии. На анкерной линии установлено блокирующее инерционное устрйоство Венто Рысь. При контролируемом передвижении работника трос устройства самостоятельно выдается или втягивается, а в случае падения, механизм автоматически блокируется, прекращая выдачу троса и останавливая падение. Для снижения травматизма в момент остановки падения предусмотрен специальный тормозной механизм, снижающий нагрузку на пользователя до приемлемых величин. Механизм помещен в прочный корпус из алюминиевого сплава. Вращающаяся точка анкерного крепления корпуса предотвращает скручивание троса в процессе использования. Трос из нержавеющей стали на конце оборудован алюминиевым карабином с раскрытием 25 мм для крепления к привязи. Карабин снабжен дополнительным вертлюгом с индикатором срабатывания. Устройство предназначено для пользователей массой до 100 кг.

Общий принцип организации страховочной системы
Специалисты АльпИндустрии-ПРО помогут подобрать оптимальное решение по обеспечению безопасности работ на кровлях, установить системы обеспечения безопасности и составить всю необходимую документацию в соответствии с Правилами по охране труда при работе на высоте.
8 (800) 511-32-12, info@alpindustria.pro
|
Оформите заявку на сайте, мы свяжемся с вами в ближайшее время и ответим на все интересующие вопросы.
|
Заказать проект
|
